搜索
搜索
确认
取消

产品与解决方案

/
/
山东成达新能源科技有限公司
全部分类
/
/
山东成达新能源科技有限公司

山东成达新能源科技有限公司

  • 分类:成功案例
  • 作者:
  • 来源:
  • 发布时间:2013-11-29
  • 访问量:0

山东成达新能源科技有限公司

【概要描述】1.前言  本案例来源于我公司服务的山东成达新能源科技有限公司的重油催化裂化装置电气项目。由于主风机组在催化裂化中的关键作用,主风机组的控制和保护一直为人们所关注,尤其是大型轴流风机,其稳定工况区的限制既多又严,而且一旦故障,经济损失惨重,所以轴流风机的控制和保护一直是自控设计中的重点和难点。  2.概要方案  该项目的电机为一台14000KW的10KV电机,额定电流:914A。要求起动电流为额定

  • 分类:成功案例
  • 作者:
  • 来源:
  • 发布时间:2013-11-29
  • 访问量:0
详情

  1.前言

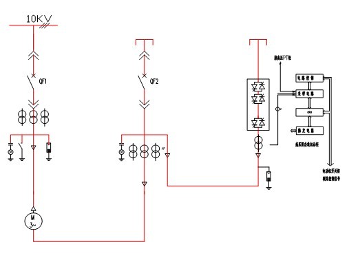
  本案例来源于我公司服务的山东成达新能源科技有限公司的重油催化裂化装置电气项目。由于主风机组在催化裂化中的关键作用,主风机组的控制和保护一直为人们所关注,尤其是大型轴流风机,其稳定工况区的限制既多又严,而且一旦故障,经济损失惨重,所以轴流风机的控制和保护一直是自控设计中的重点和难点。

  2.概要方案

  该项目的电机为一台14000KW的10KV电机,额定电流:914A。要求起动电流为额定电流的2.5倍。拖动负载是油催化裂化项目主抽风机。客户提到的保护功能有:高压电源缺相,欠压保护起动过流,起动超时,起动失载、晶闸管故障保护。其余要求:必须有标准RS-485通讯接口。二次控制电源为AC380/220V。产品颜色为:RAL7032。该公司最终选定的是我公司GGQ系列高压固态软起动装置, 根据客户要求我们拟定的一次方案图如下:

  率发电机组负载测试装置。

 

1

 

  3.总体方案及工作原理

  总体方案是软起柜(2200*1500*2300)和星点柜(1000*1500*2300)并柜,星点柜在右侧,星点柜装三只电流互感器(型号、变比与开关柜一致)做电动机差动保护用,软起柜器单独安装一只电流互感器做软起电流检测使用,该套产品总尺寸为3200*1500*2300(宽*深*高)。

  其工作流程如下:

  运行柜断路器QF1工位合闸,送起动信号给软起柜,软起柜接到起动信号,软起柜执行软起过程,起动过程中无异常情况送合闸指令给星点柜QF2合闸。星点合闸给出反馈信号至软起柜,起动完毕。当起动出现异常时,在起动过程中跳运行柜,排除异常现象后,等待间隔时间后再重新按上述工作流程起车,直至软起成功,软起结束。

  4.运行情况

 

  自GGQ系列高压固态软起动装置在该公司投入使用后,主抽风机各项运行参数都在正常范围之内,电机实现了软起动,减小了大电机起动对电网的冲击,符合相关技术标准要求,减小了电机起动时产生的冲击力,有效的延长了电机的寿命,满足客户提出的各项保护功能,风机故障率大幅降低,提高了设备运行的安全可靠性,设备维护工作量减少。

扫二维码用手机看

相关信息

热门资讯

imgboxbg

荣誉资质

公司专业研发、设计、制造各种大中型电动机软起动装置、变频调速节能装置、电力系统功率补偿装置···

TOP

大禹电气科技股份有限公司

分享

版权所有: 大禹电气科技股份有限公司  京ICP证000000号    电话:0712-2883450   地址:湖北孝感市航天大道2号

大禹电气科技股份有限公司